Yatay Tip Vibrasyon Makineleri
VKT Serisi

VKT serisi vibrasyon makineleri her türlü metal ve metal dışı malzemelerden mamül parçaların yüzey işlemlerinde kullanılır. Bu seri makineler genellikle çok uzun ve büyük hacimli parçalar için kullanılır.

ek aksesuarlar

pnömatik ses kapağı

ayırıcı aparat raylı sistemi

hız kontrol ünitesi

dozaj pompası

manyetik valf

kontrol panel standı

durulama ünitesi(farklı tipler)

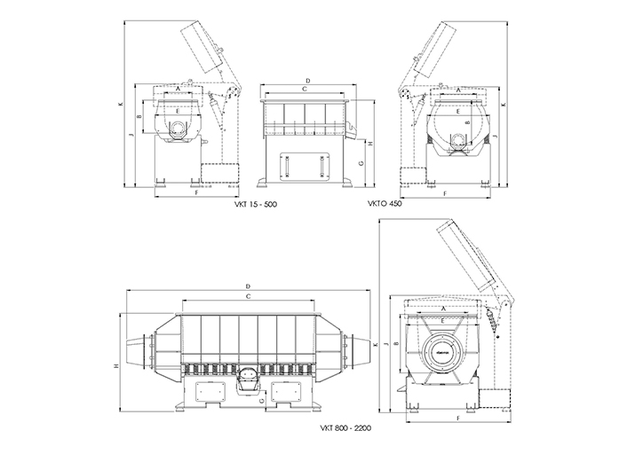
teknik çizim ve ölçüler
VKT Serisi ile Yapılan İşlemler, İşlenen Malzeme ve Kullanım Alanları

Yapılan İşlemler

    Parlatma

    Köşe Kırma

    Yağ Alma

    Pas Alma

    Oksit Açma

    Tufal Alma

    Yıkama

    Polisaj

İşlenen Malzemeler

    Alüminyum

    Demir-Çelik

    Bakır

    Pirinç

    Zamak

    Toz Metal

    Altın-Gümüş

    Kurşun

    Titanyum

    ABS & Polyester

    Kauçuk

    Akrilik

    Bakalit

    Paslanmaz Çelik

Kullanım Alanları

    Mobilya aksesuar parçaları

    Sac Pres Parçaları

    Enjeksiyon, savurma, kum, kokil, döküm parçaları

    Her türlü talaşlı imalat parçaları

    Armatür ve vana parçaları

    Çatal, kaşık, bıçak

    Tıbbi ve cerrahi aletler

    Akrilik diş ve diğer parçalar

    Otomotiv sanayi parçaları

    Havacılık ve uçak endüstri ürünleri

    Kuyumculuk ve mücevher parçaları

    Bijuteri ve aksesuar parçaları

    Mermer ve doğal taş eskitme

Fotoğraf Galerisi